SBL type basket filter specifications, models and technical parameters

SBL II basket filter

Specifications, models and technical parameters
SBL III basket filter


Specifications, models and technical parameters

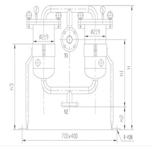
SBL IV basket filter

Specifications, models and technical parameters

Product introduction
Model label

SBF-L type fine filter
Features
Structure form and dimensions

Principle of bag filter system
Product introduction
Model label

SBD-O single bag filter
Specifications, models and technical parameters

SBD-M multi-bag filter

Specifications, models and technical parameters

SBD-H parallel bag filter schematic

Filter bag structure
Filter material aperture reference table

Filter structure

Address: Shanghai Fengxian Industrial Zone No. 99 car line
Fax: 021-64544111
Email: xinruidu@xinruidu.com
Tel:021-54488893 17701693701
Sales Phone: 021-54488893 13901897168 17317632837
After sales call: 021-64544111 18930406998
Pay attention to Xinrui
